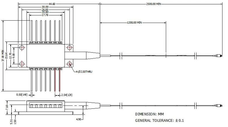
Modul Laser 1653,7nm berdaya tinggi menggunakan konstruksi planar dengan chip pada subcarrier. Yang tinggi chip daya tersegel rapat dalam paket kupu-kupu 14-pin bebas epoksi dan bebas fluks serta dilengkapi dengan termistor, pendingin termoelektrik, dan dioda monitor untuk menjamin kinerja laser berkualitas tinggi. Dioda laser BTF 1653nm 40mW untuk deteksi gas metana memenuhi syarat Telcordia GR-468, dan mematuhi arahan RoHS.
Modul Laser 1653,7nm berdaya tinggi menggunakan konstruksi planar dengan chip pada subcarrier. Chip berdaya tinggi ini disegel rapat dalam paket kupu-kupu 14-pin bebas epoksi dan bebas fluks serta dilengkapi dengan termistor, pendingin termoelektrik, dan dioda monitor untuk menjamin kinerja laser berkualitas tinggi. Produk laser kami memenuhi syarat Telcordia GR-468, dan mematuhi arahan RoHS.
● Paket kupu-kupu 14-pin standar industri;
● TEC dan isolator optik bawaan;
● Laser umpan balik terdistribusi (DFB) sumur multikuantum (MQW) berkinerja tinggi.
● Pengujian produksi komponen pasif untuk deteksi gas;
● Sistem deteksi gas serat;
● Sumber laser.
| Parameter | Simbol | Kondisi | Minimal. | Ketik. | Maks. | Satuan |
| Panjang gelombang tengah | lc | Tl = 15 ~ 35 ℃ qu | 1652.7 | 1653.7 | 1654.7 | nm |
| Daya keluaran optik | Setelah | CW | - | 40 | - | mW |
| Arus Ambang LD | ITU | CW | - | 15 | 40 | mA |
| LD Maju saat ini | Jika | Pf = Nilai Daya | - | 300 | 400 | mA |
| Isolasi optik | - | -10 |
30
|
-
|
-
|
dB |
|
| Rasio penekanan mode samping | SMSR | CW | 35 | 40 | - | dB |
| Pantau respons | Vaksinasi | - | - | 1 | 20 | tadinya / mw |
| Pantau stabilitas respons | - | - | - | - | 20% | - |
| Pantau arus gelap | Pengenal | VPD = 5V | - | - | 50 | tidak |
| Arus TEC | ITEC | Kasus =75℃ | - | - | 2 | A |
| Tegangan TEC | VTEC | Kasus =75℃ | - | - | 3.5 | V |
| Konsumsi daya TEC | P | Suhu =25℃ | - | - | 5 | W |
| Resistansi Termistor | Rth | Kasus =75℃ | 9.5 | 10 | 10.5 | Kohm |
| Konstanta termistor B | Bth | Suhu =25℃ | - | 3900 | - | K |
| Penyimpangan panjang gelombang (EOL) | △λ | Diuji selama 25 tahun seumur hidup | - | - | ±0,1 | nm |
| Melambai. Koefisien suhu | Dl/Dt | Suhu TEC pada 15℃ hingga 35℃ | - | 0.09 | - | nm/℃ |
| Koefisien Arus Panjang Gelombang | Dl/DI | - | - | 0.01 | - | NM / masuk |

Semua produk telah diuji sebelum dikirim;
Semua produk memiliki garansi 1 tahun. (Setelah masa jaminan kualitas mulai membebankan biaya layanan pemeliharaan yang sesuai.)
Kami menghargai bisnis Anda dan menawarkan kebijakan pengembalian instan 7 hari. (7 hari setelah menerima barang);
Jika barang yang Anda beli dari toko kami tidak berkualitas sempurna, artinya barang tersebut tidak berfungsi secara elektronik sesuai spesifikasi produsen, cukup kembalikan barang tersebut kepada kami untuk penggantian atau pengembalian dana;
Jika barang rusak, harap beri tahu kami dalam waktu 3 hari setelah pengiriman;
Setiap barang harus dikembalikan dalam kondisi aslinya agar memenuhi syarat untuk pengembalian uang atau penggantian;
Pembeli bertanggung jawab atas semua biaya pengiriman yang dikeluarkan.
T: Berapa keakuratan panjang gelombangnya?
J: +/-0,5nm.
T: Apakah Anda memiliki versi daya keluaran lain?
J: 10mW, 15mW, 50mW.
Unit Laser Tunable Terintegrasi C-band Narrow Linewidth ITLA
1550nm 40mW 200Khz Sempit Linewidth DFB Butterfly Laser Diode
1550nm 40mW 600Khz DFB Kupu-kupu Paket Dioda Laser Linewidth Sempit
1550nm 50mW 100Khz Dioda Laser Kupu-kupu DFB Lebar Garis Sempit
Dioda Laser Koaksial Lebar Garis Sempit 1550nm 2mW 5mW
1550nm 100mw 100kHz linewidth sempit DFB Laser Diode BTF dengan serat SM/PMHak Cipta @ 2020 Shenzhen Box Optronics Technology Co., Ltd. - Modul serat optik China, produsen laser digabungkan serat, pemasok komponen laser semua hak dilindungi undang -undang.